Оранжевый габарит

Всякие электро-электронные нештатности(бортовые компутеры, подогревы, сигнализации, музыки и тд)

Модераторы: владимир55, Shade, Sash, слава н

Аватара пользователя
flatraaa
Движок (Бывалый)
Сообщения: 262
Зарегистрирован: 04 фев 2013, 22:46
Пол: Мужчина
Город, регион: МСК
Марка авто: 212140
Благодарил (а): 0
Поблагодарили: 0

Оранжевый габарит

Сообщение flatraaa »

Давно я затаил идею, и тут воплотил, просто поменял местами поворотники и габариты. Светило вроде нормально но тут подумал, почему бы не сделать больше, и заместо габаритной лампы установил лампу побольше(22) светит просто отлично, но вопрос в следующем, не сгорит ли проводка и сам плафон при таком свечении? на ощупь такой теплый получается однако)) Некто не пробовал?)

Сантёр-монтёр
Конструктор (Професионал)
Сообщения: 968
Зарегистрирован: 18 янв 2013, 17:43
Пол: Мужчина
Город, регион: Армавир,23
Марка авто: ВАЗ 21214(2004г.)
Благодарил (а): 0
Поблагодарили: 2 раза

Re: Оранжевый габарит

Сообщение Сантёр-монтёр »

flatraaa,
посмотри тему "Новые фонари для Нивы", может пригодится.
Проводка должна выдержать, а на счет "греется" - время покажет! :-):
Изображение

Sunny
Сам... (Эксперт)
Сообщения: 2636
Зарегистрирован: 28 фев 2011, 09:46
Пол: Мужчина
Город, регион: г. Тольятти
Марка авто: LADA 4x4M (21214-30-011)
Благодарил (а): 0
Поблагодарили: 1 раз

Re: Оранжевый габарит

Сообщение Sunny »

flatraaa, оранжевый габарит - нарушение требований Техрегламента к осветительным приборам, так что теперь к тебе любой гаец может спокойно прикопаться...
Сантёр-монтёр, как я понял, ты в электрике силен. Вот у меня появилась идея. Вскоре на вазовских Нивах будут ставить ДХО, а реально это будет просто двухнитевая лампа в габаритном фонаре (так что, flatraaa, фонарь перегреваться не должен, раз вазовцы сами так делают), и я решил - что если на своей М-ке я воткну в габарит мощную лампу и буду считать, что это и есть ДХО. То есть, днем фары включать не буду. Сейчас лето будет, день длинный, фары включать можно будет очень редко. Единственное сомнение было как раз по поводу проводки - она то на слабую лампу рассчитана... Но ты пишешь, что должна выдержать. Так должна, или выдержит?

Сантёр-монтёр
Конструктор (Професионал)
Сообщения: 968
Зарегистрирован: 18 янв 2013, 17:43
Пол: Мужчина
Город, регион: Армавир,23
Марка авто: ВАЗ 21214(2004г.)
Благодарил (а): 0
Поблагодарили: 2 раза

Re: Оранжевый габарит

Сообщение Сантёр-монтёр »

Sunny, ты не можешь, чтоб не приколоться :-): !!!

На утюге иногда провода толстенные не выдерживаеют!!! :-) , что уж говорить про проводОчки на машинёжке!!!
Посмотрел на нашей Нивке - провода идут на габарит довольно толстые - 2 ампера по-любому выдержат. На практике этот вопрос решается проще - подключаешь и включаешь. Ждешь 10 минут, СЧУПАЕШЬ)):
- холодные - отлично,
- теплые - хорошо,
- горячие - чешешь репу и меняешь на более толстые, тут уж ни куда не денешся.... :smu:sche_nie:

Не знаю, чЁ сейчас есть в продаже, но, полагаю, есть мощные светодиодные лампы с подходящим цоколем (есть блочкИ - включение после запуска на полную мощность, и понижение мощности при включении габаритов, но это требует более конкретного вмешательства в проводку ).
Такие светодиодные лампочки потребляют электричества как габаритная лампочка = 100% гарантия, что проводка выдержит, да и плафон меньше греться будет.
ПодобНую лампочку, как я понял, вставлял в фонарь Фикус в теме "Новые фонари для Нивы".
Именно поэтому я предложил flatraaa посмотреть эту тему.

Но меня, однако, мучает другой вопрос (все не соберусь перелопатить умные бумажки):

Для ДХО есть два существенных требования - Мощность светового потока и площадь светоизлучающей поверхности.

Так вот и САМ ВОПРОС - достаточно ли площади и мощности "габаритного" огня с 21 ваттной лампочкой????.
Если площади достаточно, а мощности нет - можно подобрать светодиод поярче.
Если площади недостаточно - то и заморачиваться не стоит.

В общем, мысли в моем чайнике урчат, но закипеть и сварить стОящую идею пока не могут - суета не позволяет.... :smu:sche_nie: :smu:sche_nie: :smu:sche_nie:
Изображение

Sunny
Сам... (Эксперт)
Сообщения: 2636
Зарегистрирован: 28 фев 2011, 09:46
Пол: Мужчина
Город, регион: г. Тольятти
Марка авто: LADA 4x4M (21214-30-011)
Благодарил (а): 0
Поблагодарили: 1 раз

Re: Оранжевый габарит

Сообщение Sunny »

Сантёр-монтёр, насчет твоих познаний в электрике - я абсолютно серьезно :a_g_a: По поводу площади светоизлучающей поверхности и мощности 21 Ватт - мне кажется, что ВАЗ вряд-ли изобрел что-то новое, наверняка в стандартный габаритный фонарь (М-ный, естественно) будут ставить стандартную лампу 21-5. А значит такое сочетание вполне достаточно для признания этой штуки ДХО.
Так что и для уже находящихся в эксплуатации машин это путь вполне возможен. Вот только я не хочу связываться со вторым проводом и двухнитевой лампой. Думаю сделать так - когда включаются габариты, горят лампы 21 Вт (которые я намереваюсь поставить вместо 5-ваттных в передние габариты) ну и всё остальное, кроме фар. А вот когда включаются фары (второе положение включателя), хотелось бы, чтобы передние габариты выключились. Надеюсь, это можно сделать, отключив какой-то проводок от выключателя?

Сантёр-монтёр
Конструктор (Професионал)
Сообщения: 968
Зарегистрирован: 18 янв 2013, 17:43
Пол: Мужчина
Город, регион: Армавир,23
Марка авто: ВАЗ 21214(2004г.)
Благодарил (а): 0
Поблагодарили: 2 раза

Re: Оранжевый габарит

Сообщение Сантёр-монтёр »

Sunny,
действительно, ВАЗовцы, скорее всего, эти параметры просчитали.
По поводу отключения переднего габарита:
- "под рукой" схемы нет, конкретно сейчас подсказать не могу. но если в выключателе есть свободная "тройка" контактов в положении "включение фар", то 100% можно реализовать идею выключения габаритов при включении фар. Однако, СКОРЕЕ ВСЕГО, и на передние, и на задние габариты от выключателя идет один провод, который потом, где-нибудь, радвояивается)) на передние и задние габариты.
- в любом случае маломощное реле на 12 вольт вполне сможет реализовать данную идею - на реле со "свободно замкнутой" парой подается питание от провода "включения" света (точка - до реле переключения "дальний-ближний"), а контакты этого реле отключают передний габарит. Полагаю этот вариант наименее затратный и по силам и по времени....

В общем, обязуюсь вечером посмотреть схему и предложить приемлемый вариант (а может ребята опередят и предложат свои варианты??? :-): :-): :-): )
Изображение

Sunny
Сам... (Эксперт)
Сообщения: 2636
Зарегистрирован: 28 фев 2011, 09:46
Пол: Мужчина
Город, регион: г. Тольятти
Марка авто: LADA 4x4M (21214-30-011)
Благодарил (а): 0
Поблагодарили: 1 раз

Re: Оранжевый габарит

Сообщение Sunny »

Сантёр-монтёр, вот мы и подобрались вплотную к вопросу внедрения ДХО на Нивку своими силами :bra_vo:

Аватара пользователя
flatraaa
Движок (Бывалый)
Сообщения: 262
Зарегистрирован: 04 фев 2013, 22:46
Пол: Мужчина
Город, регион: МСК
Марка авто: 212140
Благодарил (а): 0
Поблагодарили: 0

Re: Оранжевый габарит

Сообщение flatraaa »

Проводка вроде на ощуп не горячая, но вот плафон сам горячий. С другой стороны сзади лампочки стоп или туманный габарит и задний ход дают такой же нагрев, в т.ч. и на проводку. Так что поездим, посмотрим.
Насчет 2х нитиевого патрона. Я давний любитель "альтернативных" габаритов, и делал их почти во все жигули что были. Могу сказать следующее, на ниву можно было бы сделать интереснее, взять установить по два двухнитиевых патрона, на легкое свечение сделать габарит на 22 нить дать поворотник. В идеале еще взять белый плафон, тогда будет совсем изящно. Но я лентяй и в этот раз рещил не заморачиваться:) А насчет двух нитиевого патрона я находил на рынке, а так же на форумах можно купить ( это часть альтернативной оптики с вазов как правило) . Патрон почти идентичен по зажимному пазу, так же герметичен с резинкой, но на выходе 3 контакта, минус 5 ватт и 22 ватта.

Сантёр-монтёр
Конструктор (Професионал)
Сообщения: 968
Зарегистрирован: 18 янв 2013, 17:43
Пол: Мужчина
Город, регион: Армавир,23
Марка авто: ВАЗ 21214(2004г.)
Благодарил (а): 0
Поблагодарили: 2 раза

Re: Оранжевый габарит

Сообщение Сантёр-монтёр »

Sunny, наконец-то, спустя двое суток, отремонтировал порог на тойоте и вечер для меня наступил. Так что извини за просроченное обещание.
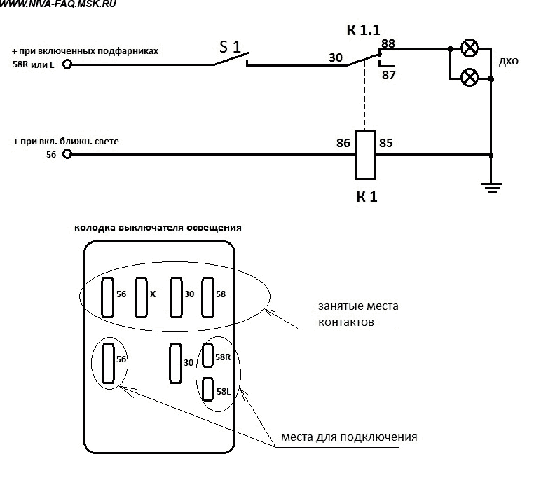
Самый простой способ подключить ДХО:
Алгоритм работы
- вкл. габариты - горит ДХО передняя лампочка 21 (или 22???) Вт.;
- вкл. свет ближний - ДХО погасли.
_ вкл. свет дальний - ДХО загорелись.

Подключеиние:
- Под капотом в разрыв провода габаритов подключаем свободно замкнутые контакты реле (желательно герметичного).
- обмотку реле "-" на корпус, "+" от провода на лампочку ближнего света.
Такое подключение самое простое - не надо ни чего разбирать, мудрить, на корачках ковыряться в кабине в проводах. Открыл капот - саморезом прикрутил реле, разрезал провод габарита -припендюрил к реле, оголил ближайший провод массы - припаял проводок с клемой - подключил к реле, оголил провод бл. света - припаял провод с клемой - подключил к реле.

Можно заморочиться и решить проблему по алгоритму:
- вкл. габариты - горит ДХО
вкл. свет - ДХО погасли.
Для этого надо найти провод "включение фар" в кабине (выключатель света, например), провод массы, выбрать место для реле (без него никак), протянуть, к реле провода, учитывая, что место раздвояивания)) габаритов на "передний -задний" находится на 7-ом предохранителе основного блока предохранителей. Все это смонтировать по указанному выше принципу.
Последний раз редактировалось Сантёр-монтёр 03 апр 2013, 10:32, всего редактировалось 1 раз.
Изображение

Сантёр-монтёр
Конструктор (Професионал)
Сообщения: 968
Зарегистрирован: 18 янв 2013, 17:43
Пол: Мужчина
Город, регион: Армавир,23
Марка авто: ВАЗ 21214(2004г.)
Благодарил (а): 0
Поблагодарили: 2 раза

Re: Оранжевый габарит

Сообщение Сантёр-монтёр »

Sunny,
Интересное решение ДХО на прилагаемом "плагиатском" рисунке.

Но меня оно не прельщает.
Мне бы что-нибудь "поавтоматическее" и без дополнительных органов управления.... :smu:sche_nie:
В Инете есть несколько подходящих предложений, но я еще не определился со своими желаниями.
Вложения
dxo_gab_1.gif
Изображение

Sunny
Сам... (Эксперт)
Сообщения: 2636
Зарегистрирован: 28 фев 2011, 09:46
Пол: Мужчина
Город, регион: г. Тольятти
Марка авто: LADA 4x4M (21214-30-011)
Благодарил (а): 0
Поблагодарили: 1 раз

Re: Оранжевый габарит

Сообщение Sunny »

Сантёр-монтёр, твоя задержка ответа абсолютно не критична, так как я был в командировке.
Мне пришелся по душе твой "самый простой способ подключить ДХО". Во-первых, действительно просто (даже я всё понял :smu:sche_nie:), во-вторых, алгоритм меня полностью устраивает. Даже то, что ДХО горят при дальнем свете - ведь дальний включается редко, пусть себе горят :-): Вот пройду очередное ТО и займусь :-): Спасибо!

Сантёр-монтёр
Конструктор (Професионал)
Сообщения: 968
Зарегистрирован: 18 янв 2013, 17:43
Пол: Мужчина
Город, регион: Армавир,23
Марка авто: ВАЗ 21214(2004г.)
Благодарил (а): 0
Поблагодарили: 2 раза

Re: Оранжевый габарит

Сообщение Сантёр-монтёр »

Sunny,
:-):, пожалуйста...
Изображение

Аватара пользователя
flatraaa
Движок (Бывалый)
Сообщения: 262
Зарегистрирован: 04 фев 2013, 22:46
Пол: Мужчина
Город, регион: МСК
Марка авто: 212140
Благодарил (а): 0
Поблагодарили: 0

Re: Оранжевый габарит

Сообщение flatraaa »

Sunny писал(а):flatraaa, оранжевый габарит - нарушение требований Техрегламента к осветительным приборам, так что теперь к тебе любой гаец может спокойно прикопаться...
Я что-то в тот раз пропустил мимо ушей, а теперь интересно стало. А какая за это ответственность?

Сантёр-монтёр
Конструктор (Професионал)
Сообщения: 968
Зарегистрирован: 18 янв 2013, 17:43
Пол: Мужчина
Город, регион: Армавир,23
Марка авто: ВАЗ 21214(2004г.)
Благодарил (а): 0
Поблагодарили: 2 раза

Re: Оранжевый габарит

Сообщение Сантёр-монтёр »

flatraaa
цитирую:
КРФоАП
Статья 12.5. Управление транспортным средством при наличии неисправностей или условий, при которых эксплуатация транспортных средств запрещена
1. Управление транспортным средством при наличии неисправностей или условий, при которых в соответствии с "Основными положениями" по допуску транспортных средств к эксплуатации и обязанностями должностных лиц по обеспечению безопасности дорожного движения эксплуатация транспортного средства запрещена, за исключением неисправностей и условий, указанных в "частях 2" - "7" настоящей статьи, -
(в ред. Федеральных законов от 22.07.2005 "N 120-ФЗ", от 10.07.2012 "N 116-ФЗ")

влечет предупреждение или наложение административного штрафа в размере ста рублей.
(в ред. Федерального "закона" от 22.06.2007 N 116-ФЗ)

(часть третья этой же статьи не подходит)


ОСНОВНЫЕ ПОЛОЖЕНИЯ ПО ДОПУСКУ ТРАНСПОРТНЫХ СРЕДСТВ К ЭКСПЛУАТАЦИИ И ОБЯЗАННОСТИ ДОЛЖНОСТНЫХ ЛИЦ ПО ОБЕСПЕЧЕНИЮ БЕЗОПАСНОСТИ ДОРОЖНОГО ДВИЖЕНИЯ.
...........................
3. Техническое состояние и оборудование участвующих в дорожном движении транспортных средств в части, относящейся к безопасности дорожного движения и охране окружающей среды, должно отвечать требованиям соответствующих стандартов, правил и руководств по их технической эксплуатации.
...............................................................
11. Запрещается эксплуатация:
автомобилей, автобусов, автопоездов, прицепов, мотоциклов, мопедов, тракторов и других самоходных машин, если их техническое состояние и оборудование не отвечают требованиям "Перечня" неисправностей и условий, при которых запрещается эксплуатация транспортных средств (согласно приложению);

ПЕРЕЧЕНЬ НЕИСПРАВНОСТЕЙ И УСЛОВИЙ, ПРИ КОТОРЫХ ЗАПРЕЩАЕТСЯ ЭКСПЛУАТАЦИЯ ТРАНСПОРТНЫХ СРЕДСТВ
3. Внешние световые приборы
3.1. Количество, тип, цвет, расположение и режим работы внешних световых приборов не соответствуют требованиям конструкции транспортного средства.
Примечание. На транспортных средствах, снятых с производства, допускается установка внешних световых приборов от транспортных средств других марок и моделей.
.....................................................

Редко какой полиционер будет связываться со штрафом 100 рублей......, тем более, если предусмотрено предупреждение...
Последний раз редактировалось Сантёр-монтёр 29 апр 2013, 00:11, всего редактировалось 1 раз.
Изображение

Сантёр-монтёр
Конструктор (Професионал)
Сообщения: 968
Зарегистрирован: 18 янв 2013, 17:43
Пол: Мужчина
Город, регион: Армавир,23
Марка авто: ВАЗ 21214(2004г.)
Благодарил (а): 0
Поблагодарили: 2 раза

Re: Оранжевый габарит

Сообщение Сантёр-монтёр »

Однако, имеется интересный ПРИКОЛ:

По смыслу пункта 3.1 "перечня неисправностей..." следует, что эксплуатация тр. ср-ва запрещается, когда всё вместе взятое (и количество, и тип, и цвет, и расположение, и режим работы внешних световых приборов) не соответствуют требованиям конструкции транспортного средства.
Если какой-либо элемент нарушения отсутствует - привлекать к административной ответственности нельзя, только если какое-либо несоответствие не запрещено другим пунктом "перечня неисправностей..."
(например .6. .6. На транспортном средстве установлены: спереди - световые приборы с огнями любого цвета, кроме белого, желтого или оранжевого, и световозвращающие приспособления любого цвета, кроме белого................).

Данное умозаключение (а точнее - словоблудие) было бы исключено, если бы Правительство училось на пятерки грамоте в школе и, утверждая "Основные положения...." с "перечнем неисправностей..." в место буквы "и" (.....Количество, тип, цвет, расположение и режим работы внешних световых приборов) поставило бы "ИЛИ".

Извиняюсь за грамматические и прочие ошибки - я троишник по "русскому" и не в правительстве.
Изображение

Аватара пользователя
flatraaa
Движок (Бывалый)
Сообщения: 262
Зарегистрирован: 04 фев 2013, 22:46
Пол: Мужчина
Город, регион: МСК
Марка авто: 212140
Благодарил (а): 0
Поблагодарили: 0

Re: Оранжевый габарит

Сообщение flatraaa »

Сантёр-монтёр Спасибо за исчерпывающий ответ.
Немного смущает только Статья 12.5. часть 3 Управление транспортным средством, на передней части которого установлены световые приборы с огнями красного цвета или световозвращающие приспособления красного цвета, а равно световые приборы, цвет огней и режим работы которых не соответствуют требованиям Основных положений по допуску транспортных средств к эксплуатации и обязанностей должностных лиц по обеспечению безопасности дорожного движения, -влечет лишение права управления транспортными средствами на срок от шести месяцев до одного года с конфискацией указанных приборов и приспособлений.
Не могут ли разводить по этому пункту , типо не правильный режим работы или цвет. Всю жизнь ездил не заморачивался... А щас углубился вообще в сметении)) езжу много, не хотелось бы лишний разщ внимание привлекать, тем более тонировочка...

Сантёр-монтёр
Конструктор (Професионал)
Сообщения: 968
Зарегистрирован: 18 янв 2013, 17:43
Пол: Мужчина
Город, регион: Армавир,23
Марка авто: ВАЗ 21214(2004г.)
Благодарил (а): 0
Поблагодарили: 2 раза

Re: Оранжевый габарит

Сообщение Сантёр-монтёр »

flatraaa,
Действительно, ты правильно задумался, а я пропустил!!!
Передний габарит может быть только белый
Таким образом, возможно привлечение по ч.3 ст.12.5.

Технический регламент
о безопасности колесных транспортных средств

Таблица 1.1.
Наименование огня Цвет
- огни дальнего и ближнего света, фонарь освещения заднего
регистрационного знака и передний габаритный огонь
белый

- указатель поворота, аварийный сигнал, боковое нетреугольное
светоотражающее приспособление
автожелтый

1.3.4. Каждый из приборов освещения и световой сигнализации должен быть расположен так, чтобы у него имелась видимая поверхность. По крайней мере, 50 процентов видимой поверхности должны быть видимы с любой точки в пределах соответствующих углов видимости.
Под видимой поверхностью понимается светоизлучающая поверхность огня, которая может быть видима под данными углами наблюдения, если нет помех наблюдению со стороны других частей транспортного средства.
За светоизлучающую поверхность принимается наружная поверхность корпуса рассеивателя, причем свет на рассеиватель при этом падает непосредственно от лампы и от отражателя; кроме того, рассеиватель вместе с лампой определяют цвет соответствующего огня.
Изображение

Sunny
Сам... (Эксперт)
Сообщения: 2636
Зарегистрирован: 28 фев 2011, 09:46
Пол: Мужчина
Город, регион: г. Тольятти
Марка авто: LADA 4x4M (21214-30-011)
Благодарил (а): 0
Поблагодарили: 1 раз

Re: Оранжевый габарит

Сообщение Sunny »

Вот и я о чем говорю! Тем более, что сейчас приходится ездить с включенным освещением и ночью, и днем. Так что оранжевые передние габариты будут дразнить гайцев всегда :-(

Аватара пользователя
flatraaa
Движок (Бывалый)
Сообщения: 262
Зарегистрирован: 04 фев 2013, 22:46
Пол: Мужчина
Город, регион: МСК
Марка авто: 212140
Благодарил (а): 0
Поблагодарили: 0

Re: Оранжевый габарит

Сообщение flatraaa »

Вернул все в заводской вид господа. И Плафоны потеть начали )) Чувствую скоро в сборе менять придется))

Кактус
Винтик (Новичок)
Сообщения: 9
Зарегистрирован: 27 сен 2013, 02:00
Пол: Мужчина
Город, регион: Сургут
Марка авто: Нива шевроле
Благодарил (а): 0
Поблагодарили: 0

Re: Оранжевый габарит

Сообщение Кактус »

Сантёр-монтёр писал(а):Sunny,
Интересное решение ДХО на прилагаемом "плагиатском" рисунке.

Но меня оно не прельщает.
Мне бы что-нибудь "поавтоматическее" и без дополнительных органов управления.... :smu:sche_nie:
В Инете есть несколько подходящих предложений, но я еще не определился со своими желаниями.
Приветствую! Я об этом писал в светодиодной теме,повторюсь мож будет интересно но к сожалению технических деталей не знаю,так вот мне товарищ с дхо решил вопрос таким образом:при запуске двигуна лампы дальнего света горят в пол накала через реле при этом габариты нет ни задние ни передние,при остановке дв.,или поднятом ручнике тухнут если включаешь штатное освещение система отключается и все работает в своем режиме.

Ответить

Вернуться в «Аляктроника»